Prices S DPH Bez DPH
16-41351-7262.09

Brousící kotouč k broušení kovu bílý 200 x 20 x 32 mm

Cena

Běžná cena: 356 Kč

Special Price Cena bez DPH: 286 Kč Cena s DPH: 346 Kč

 


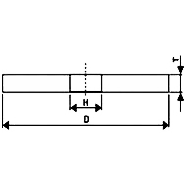
Brousící kotouč plochý s průměrem D = 151 mm až 203,2 mm


Tvar T1


Složení:           umělý korund bílý s pojivem keramickým


Použití:            ocel tř. 11 (ocel do 55 HRC, ocelolitina)


Barva:             bílá (hnědá)


Jakost:            99BA46K9V


 


Rozměry:                                                                                                                               













D


T


H


200


20


32



Popis
Další informace

Další informace

Skladové číslo 16
Download
Recenze