Prices S DPH Bez DPH
16-51751-4058.00

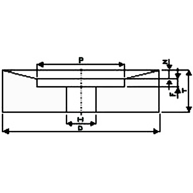
Brousící kotouč s jednostranným zkoseným vybráním 400 x 50 x 127 mm

Cena

Běžná cena: 2 218 Kč

Special Price Cena bez DPH: 1 778 Kč Cena s DPH: 2 151 Kč

 


Brousící kotouč s jednostranným zkoseným vybráním T23


Složení:           umělý korund bílý s pojivem keramickým


Použití:            ocel tř. 11, ocelolitina (ocel do 55 HRC, nerez)


Barva:             bílá


Jakost:            99BA60K9V


 


Rozměry:















D


T/N


H-P


F


400


50/7,0


127-200


13,0


Popis
Další informace

Další informace

Skladové číslo 16
Download
Recenze