Prices S DPH Bez DPH
16-57161-1603.09

Brousící kotouč hrncovitý 150 x 80 x 32 mm

Cena

Běžná cena: 625 Kč

Special Price Cena bez DPH: 502 Kč Cena s DPH: 607 Kč

 


Brousící kotouč hrncovitý T6


Složení:           umělý korund světle růžový s pojivem keramickým


Použití:            ocel do 55 HRC, nerez (ocel do 67 HRC)


Barva:             světle růžová


Jakost:            98A40J9V


 


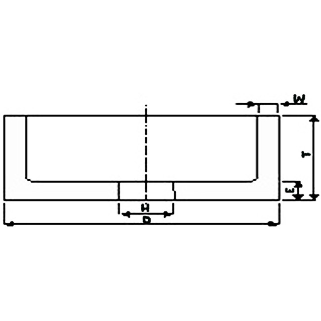
Rozměry:















D


T


H-W


E


150


80


32-12,5


15


Popis
Další informace

Další informace

Skladové číslo 16
Download
Recenze